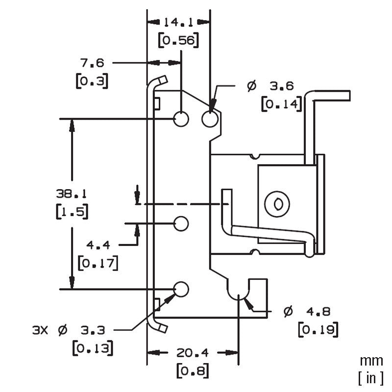
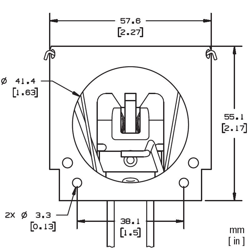
OSRAM TP40 R1DL Rim Mount Lamp Holder with 12in wire
has a rating of 5 stars
based on 5 reviews.
OSRAM TP40 R1DL Rim Mount Lamp Holder with 12in wire
SKU: 69786
$3699 $62.99
USD
Description
18 AWG R1DL Rim Mount Lamp Holder for 2-Pin MR16 GY5.3 light bulbs - Mounting Bracket: Plated steel - Lever: Plated steel - Retaining spring: Music wire - Lever Clamp: Plated steel - Qualifications: UL Recognized - E31557 CSA Certified - LR20904
Specs
| MR16 GY5.3 Lampholder | |
| GY5.3 2-Pin | |
| 12 inch 18AWG |





Stay in Touch